SINA Q WC-SLOT

https://besa-sloten.be/web/image/product.template/6336/image_1920?unique=10f95b2
23.96 EUR 23.96

28,99 € 28,99 €

23,96 € 23,96 € excl. BTW

Voorraad: 42.00 Stuks
Locatie(s): W/WN-C9.4

20,92 € Exclusief btw

PRIJS OP AANVRAAG

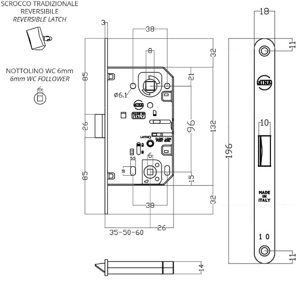
  • Asmaat (mm)
  • Doornmaat (mm)
  • Breedte voorplaat (mm)
  • Lengte voorplaat (mm)
  • Vorm voorplaat
  • Materiaal voorplaat
  • Draairichting
  • Kruknoot ⧄ (mm)
  • Type slotbediening
  • Soort sluiting
  • Type montage
  • Modellen

Deze combinatie bestaat niet.

Asmaat (mm): 96
Doornmaat (mm): 50
Breedte voorplaat (mm): Vlak 18
Lengte voorplaat (mm): 196
Vorm voorplaat: Afgerond
Draairichting: Keerbaar
Kruknoot ⧄ (mm): ⧄ 8
Type slotbediening: Kruknoot ⧄ 6
Soort sluiting: Schoot
Type montage: Inbouw
Modellen: WC-slot


Artikelnummer: QWCVN22
Barcode: 2358300032381